TOP > Komatsu Collaborative Research Cluster for Innovative Technologies
![]() |
Prof. Takushi SAITO | |||
| Room | S1 | Mail-Box | S1-10 | |
| TEL | 045-924-5016 | |||
| saito.t.3e6c(at)m.isct.ac.jp Please replace “(at)” with “@”. | ||||
| HomePage | https://komatsu-colab-en.labby.jp/ | |||
| Research Field | Heat transfer engineering, Thermophysical property control | |||
| Objective | Our goal is to establish thermal management technology that can solve the various heat transfer problems that arise with the electrification of equipment and improve overall energy efficiency. | |||
| Current Topics |
|
|||

Estimation of interfacial thermal resistance by reverse non-equilibrium molecular dynamics simulation

Performance evaluation of phase change heat transfer surface with copper nanoparticles layer
| Prof. Hirofumi AKAGI(Specially Appointed)〔Saito Lab〕 | ||||
| Room | S1 | Mail-Box | S1-10 | |
| TEL | 045-924-5263 | |||
| akagi.h.82a6(at)m.isct.ac.jp Please replace “(at)” with “@”. | ||||
| HomePage | https://komatsu-colab-en.labby.jp/ | |||
| Research Field | Power electronics and its applications | |||
| Objective | High performance and high efficiency of power convererts based on the latest semiconductor switching devices | |||
| Current Topics |
|
|||

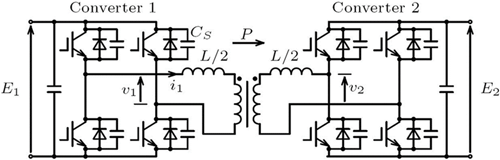
Biderectional isolated Dc-DC converte

850-V, 16-kHz, 100-kW transformer with a weight of 11 kg
![]() |
Prof. Keiji KYOGOKU(Specially Appointed)〔Saito Lab〕 | |||
| Room | S1 | Mail-Box | S1-10 | |
| TEL | 045-924-5263 | |||
| kyougoku.k.6f1b(at)m.isct.ac.jp Please replace “(at)” with “@”. | ||||
| HomePage | https://komatsu-colab-en.labby.jp/ | |||
| Prof. Akira SUMITANI(Specially Appointed)〔Saito Lab〕 | ||||
| Room | S1 | Mail-Box | S1-10 | |
| TEL | 045-924-5255 | |||
| sumitani.a.fb0c(at)m.isct.ac.jp Please replace “(at)” with “@”. | ||||
| HomePage | https://komatsu-colab-en.labby.jp/ | |||
| Research Field | Mechanical elements, Chemical engineering | |||
| Objective | Elemental technologies for carbon neutrality/span> | |||
| Current Topics |
|
|||
![]() |
![]() |
![]() |
Assoc. Prof. Shinji TANAKA(Specially Appointed)〔Saito Lab〕 | |||
| Room | S1 | Mail-Box | S1-10 | |
| TEL | 045-924-5243 | |||
| tanaka.s.2ae3(at)m.isct.ac.jp Please replace “(at)” with “@”. | ||||
| HomePage | https://komatsu-colab-en.labby.jp/ | |||
| Research Field | Tribology, Machine elements, Fluid machinery | |||
| Objective | Visualization of lubrication condition of sliding parts in actual machine, Mixed lubrication analysis, Evaluation of friction and wear characteristics of sliding parts and lubricants | |||
| Current Topics |
|
|||

Wheel loader

Hydrostatic transmission